

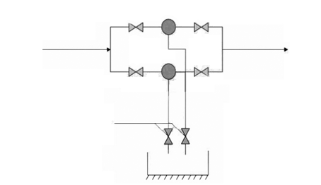
智能氣源凈化分配系統,包括氣源凈化,采用單回路或多回路過濾器、
并通過電子排水裝置達到定時,或零壓力損耗排污,使得氣源更加潔凈,并且
降低能耗。然后通過模塊化氣源分配器,得到多路潔凈氣源。
廣泛應用與電力、石化、醫藥、造紙、醫藥、紡織、等行業。


氣源凈化控制柜的使用
3、氣體分配器結構緊湊合理,不需要占用很大空間,使用方便,便于維修。
4、安裝好連接上電源、氣源以后,在閥門都打開的狀態下只需控制電源的通斷便可控制氣體的流通,無需再人為的開關閥門達
到通斷的效果。大大減少了維護工作量。
技術規格
1-2路過濾,帶旁路
PLC控制排放時間
零壓損排放
自帶氣源分配器,多路出氣口